15 November 2021

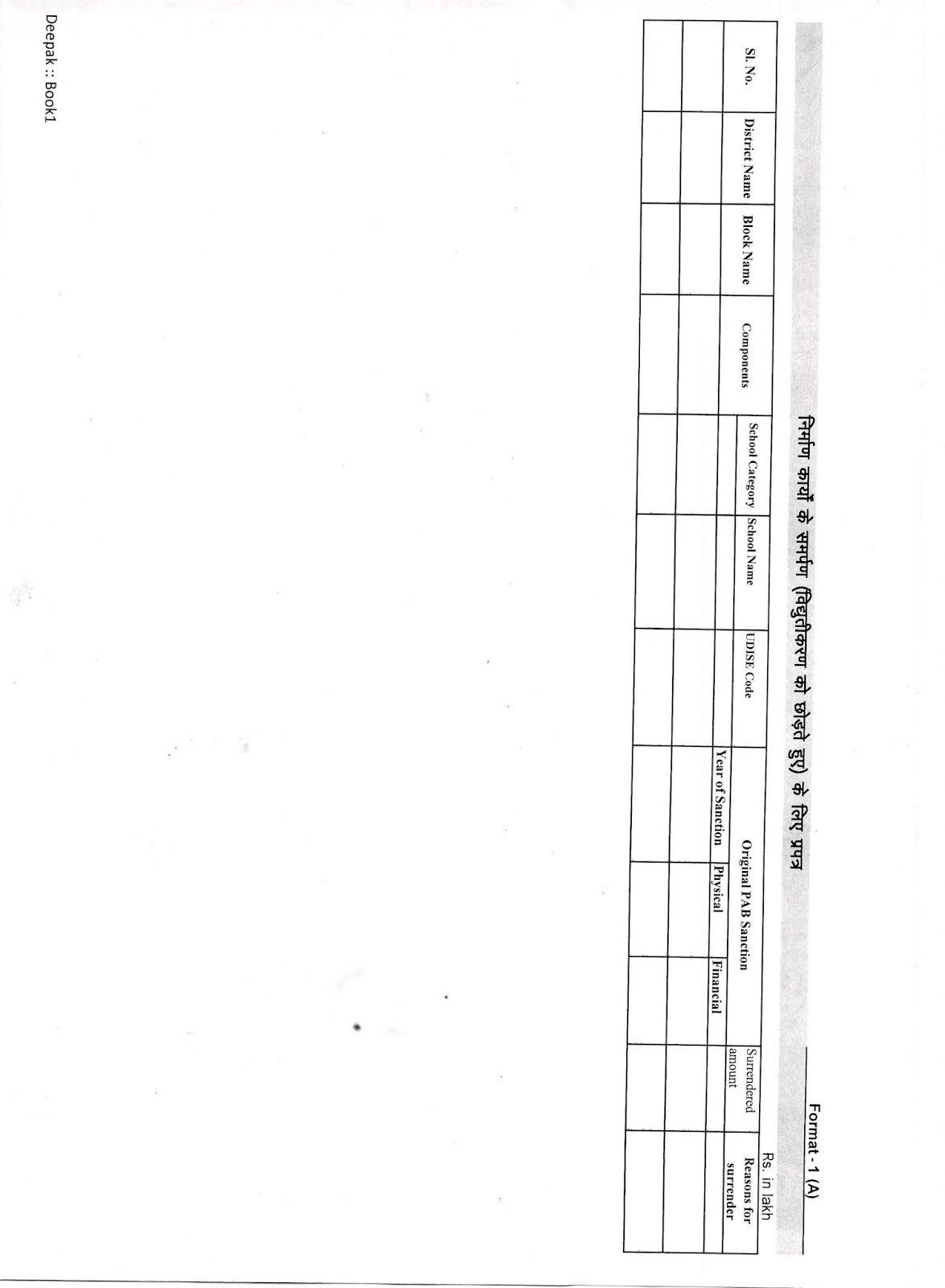
वित्तीय वर्ष 2020-21 स्वीकृत किन्तु अद्यतन निर्माण कार्यो एवं फर्नीचर क्रय की समीक्षा हेतु बैठक आहूत किये जाने के संबंध में


वित्तीय वर्ष 2020-21 स्वीकृत किन्तु अद्यतन निर्माण कार्यो एवं फर्नीचर क्रय की समीक्षा हेतु बैठक आहूत किये जाने के संबंध में